
800型全不銹鋼振動篩主要用于食品行業、醫藥行業、化工行業較多。要求生產企業應具有良好的生產設備,如振動篩分設備在食品、醫藥行業中要求整機為304或316不銹鋼材質,里外拋光,干凈衛生,無毛刺,不允許有雜質污染,振動篩密封件配備食品衛生標準(硅膠)。







效率高、設計精巧耐用,粉類、粘液均可篩分。
換網容易、操作簡單、清洗方便。
網孔不堵塞、粉末不飛揚、可篩至400目或0.028mm。
雜質、粗料自動排出,可以連續作業。


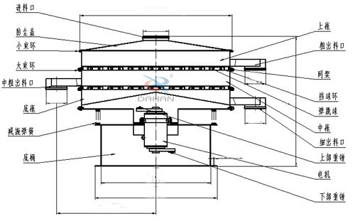
振動篩由直立式振動電機作為激振源,電機上、下兩端安裝有偏心重錘,將電機的旋轉運動轉變為水平、垂直、傾斜的三次元運動,再把這個運動傳遞給篩面進行篩分。調節上、下兩端的相位角,可以改變物料在篩面上的運動軌跡。


| 型號 | 功率(KW) | 篩面直徑 | 有效面積 | 網層數 |
| DH-800-2s | 0.55kw | 750m/m | 0.4183m2 | 2層全不銹鋼 |


1.保修期內非因操作不當造成需要更換的零配件及設備由我廠負責包修、包換。
2.質量保證期結束后,我廠將繼續免費提供售后服務,不限年份終身服務,僅收取零部件成本費,免收人工費,免收維修費。
不銹鋼振動篩為了向您提供完善的售后服務,請將您的寶貴意見、建議及要求反饋給我廠。我們感謝貴單位使用我廠的產品,我廠建立有完整的營銷網絡及完善的售后服務體系,售后服務部已將您購買的產品建立了信息檔案。如果您購買的產品出現質量問題,我們將及時為您提供全方位的服務。
![]()